苏州芯矽电子科技有限公司
联系人:陈经理
号码:18914027842
邮箱:Jakechen@szsi-tech.com
地址:江苏省苏州市工业园区江浦路41号
在科技飞速发展的今天,半导体产业作为现代科技的核心驱动力,其每一个环节的创新都备受关注。近日,国家知识产权局发布信息显示,苏州芯矽电子科技有限公司成功取得一项名为“晶圆上下抛动清洗装置”的专利,授权公告号为CN 223624935 U,这一成果标志着该公司在半导体设备领域的技术创新取得了重要突破,也为整个行业的发展注入了新的活力。
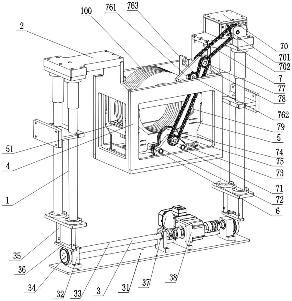
该晶圆上下抛动清洗装置的设计独具匠心。从结构上看,它主要由支撑杆构成基础框架,在支撑杆的顶端设置了抛动板。这个抛动板可不是简单的部件,它在驱动组件的精准控制下,能够沿着支撑杆进行上下移动,从而实现对晶圆的特殊清洗动作。
进一步深入观察,会发现浮动板上固定安装了一个抛动箱。这个抛动箱是整个装置的核心工作区域之一,内部可以放置花篮,而需要清洗的晶圆就放置在花篮之中。为了确保清洗效果,设计者还在抛动箱内巧妙地设置了枢轴连接的驱动辊。驱动辊与花篮内的晶圆圆周面相切,当旋转组件启动时,驱动辊会产生自转。这种自转与抛动板的上下移动相互配合,使得晶圆在清洗液中能够实现上下浸泡的动作,就像给晶圆做了一场全方位的“清洁SPA”。
1、精巧设计,稳定可靠:这款装置的设计充分体现了工程师们的智慧。通过驱动电机、驱动轴和偏心轮的组合,实现了滑动杆的上下移动,进而带动抛动板运动。这种机械结构不仅稳定性高,而且各个部件之间的连接紧密,减少了因松动或故障导致的误差,保证了清洗过程的稳定性。
2、便于维护,降低成本:在实际的生产环境中,设备的维修和更换零件是一项重要的工作。该装置的结构设计充分考虑到了这一点,各个部件易于拆卸和组装。当某个部分出现损坏时,工作人员可以快速地进行更换,大大缩短了设备的停机时间,降低了企业的运营成本。
3、高精度移动,提升品质:在半导体制造过程中,精度是至关重要的因素。该装置能够实现精确的上下抛动,确保每一片晶圆都能得到均匀且充分的清洗。这对于提高芯片的质量有着不可忽视的作用,因为即使是微小的杂质残留也可能影响到芯片的性能。
4、广泛适用性,满足多元需求:不同的半导体生产工艺可能对清洗有不同的要求。此装置凭借其灵活的设计,可以根据各种工艺参数进行调整,适用于多种类型的晶圆清洗任务。无论是硅片还是其他材料的衬底,都可以在这个平台上获得理想的清洗效果。
